首頁
公司介紹
新聞中心
組織機構
服務理念
售後服務
聯系我們
産品中心
jtgk.png

産品中心

H40F46浮球式襯氟止回閥

您的位置:閥門 - 止回閥 - H40F46浮球式襯氟止回閥 更新時間:2026-01-12 02:01:04
H40F46浮球式襯氟止回閥
    • 質量安全:壓力、材質、密封等全方位檢測确保質量過關!
    • 價格比較:在相同品質的情況下,廠裏直銷,更具有優勢!
    • 交貨快捷:常規産品現貨供應,生産加工銷售一條龍服務!
      上海凱利科閥門緻力于高品質閥門的設計、研發、生産銷售服務于一體的大型閥門企業,科技創新,永不止步,與您攜手共創輝煌...

    • 産品描述
    • 在線詢價
    • 技術咨詢
    H40F46浮球式襯氟止回閥H40F46浮球式襯氟止回閥

    H42F46襯氟立式止回閥适用在-50℃~150℃的各種濃度的王水、硫酸、鹽酸、氫氟酸和各種有機酸、強酸、強氧化劑,FEP還适用于各種濃度的強堿有機溶劑以及其它腐蝕性氣體、液體介質的管路上使用。其主要作用是防止介質倒流。

    産品名稱: 浮球式襯氟止回閥 産品型号: H40F46
    公稱通徑: DN15~DN500 結構形式: 浮球式
    公稱壓力: 0.6MPa~1.0MPa~1.6MPa 連接方式: 法蘭
    适用溫度: -50ºC~+150ºC 驅動方式: 介質推動
    連接材質: 鑄鐵、鑄鋼、不鏽鋼 标準: 國标GB、德國DIN、美國API、ANSI
    适用介質: 王水、硫酸、鹽酸、氫氟酸等 生産廠家: 上海凱利科閥門有限公司

    産品說明

    H40F46浮球式襯氟止回閥适用在-50℃~150℃的各種濃度的王水、硫酸、鹽酸、氫氟酸和各種有機酸、強酸、強氧化劑,FEP還适用于各種濃度的強堿有機溶劑以及其它腐蝕性氣體、液體介質的管路上使用。其主要作用是防止介質倒流。

    标準規範

    設計制造标準:GB/T 12235
    結構長度标準:GB/T 12221-2005
    連接法蘭标準:GB/T 9113、HG20592-97
    壓力溫度等級:GB/T 12224-2005
    試驗檢驗标準:GB/T 13927-2008

    主要零部件的材料

    序号 零件名稱 灰鑄鐵 鑄鋼 不鏽耐酸鑄鋼 超低碳不鏽耐酸鑄鋼
    Z C P R PL RL
    1 閥體/閥蓋 HT250 WCB CF8 CF8M CF3 CF3M
    2 閥瓣/閥杆 35 1Cr13 1Cr18Ni9 1Cr18Ni12Mo2Ti 00Cr18Ni10 00Cr17Ni14Mo2
    3 襯裏/閥座 PTEF(F3)、FEP(F46)、PFA(可溶F4)、PP、PO
    4 緊固螺栓 WCB 1Cr17Ni2 1Cr18Ni9Ti
    5 浮球 氟塑料 0Cr18Ni9Ti 1Cr18Ni9Ti

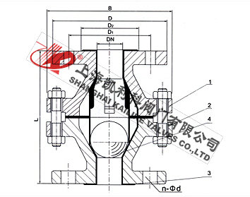
    外形結構圖

     

    主要外形尺寸PN1.0MPa

    公稱通經 L D D1 D2 f b Z-φd
    DN(mm) NPS(inch) PN1.0MPa
    15 1/2 108 95 65 45 2 14 4-φ14
    20 3/4 117 105 75 55 2 16 4-φ14
    25 1 127 115 85 65 2 16 4-φ14
    32 5/4 140 135 100 78 2 18 4-φ18
    40 3/2 165 145 110 85 3 18 4-φ18
    50 2 203 160 125 100 3 20 4-φ18
    65 5/2 216 180 145 120 3 20 4-φ18
    80 3 241 195 160 135 3 22 4-φ18
    100 4 292 215 180 155 3 22 8-φ18
    150 6 356 280 240 210 3 24 8-φ23
    200 8 495 335 295 265 3 26 8-φ23
    250 10 622 390 350 320 3 28 12-φ23
    300 12 698 440 400 368 4 28 12-φ23
    350 14 787 500 460 428 4 30 16-φ23
    400 16 914 565 515 482 4 32 16-φ25
    450 18 978 615 565 532 4 32 20-φ25
    500 20 978 670 620 585 4 34 20-φ25

    主要外形尺寸PN1.6MPa

    公稱通經 L D D1 D2 f b Z-φd
    DN(mm) NPS(inch) PN1.6MPa
    15 1/2 108 95 65 45 2 14 4-φ14
    20 3/4 117 105 75 55 2 16 4-φ14
    25 1 127 115 85 65 2 16 4-φ14
    32 5/4 140 135 100 78 2 18 4-φ18
    40 3/2 165 145 110 85 3 18 4-φ18
    50 2 203 160 125 100 3 20 4-φ18
    65 5/2 216 180 145 120 3 20 4-φ18
    80 3 241 195 160 135 3 22 8-φ18
    100 4 292 215 180 155 3 24 8-φ18
    150 6 356 280 240 210 3 28 8-φ23
    200 8 495 335 295 265 3 30 12-φ23
    250 10 622 405 355 320 4 32 12-φ25
    300 12 698 460 410 375 4 34 12-φ25
    350 14 787 520 470 435 4 38 16-φ25
    400 16 914 580 525 485 4 40 16-φ30

    主要外形尺寸PN2.5MPa

    公稱通經 L D D1 D2 f b Z-φd
    DN(mm) NPS(inch) PN2.5MPa
    15 1/2 108 95 65 45 2 16 4-φ14
    20 3/4 117 105 75 55 2 16 4-φ14
    25 1 127 115 85 65 2 16 4-φ14
    32 5/4 140 135 100 78 2 18 4-φ18
    40 3/2 165 145 110 85 3 18 4-φ18
    50 2 203 160 125 100 3 20 4-φ18
     
     
     
     

    聲明:【H40F46浮球式襯氟止回閥】規格型号、結構尺寸由上海凱利科閥門有限公司提供,如何選擇适用的H40F46浮球式襯氟止回閥産品,使之在工藝控制中安全可靠、經濟适用,可緻電我司銷售部門及技術部門,我們将在最短的時間内爲您解答!

    

    Copyright ©2011-2023 上海凱利科閥門有限公司,版權所有。 京ICP證000000号

    銷售電話:021-31001158

    手機号碼:13816746668 陳國輝/經理

    電子郵件:klkvalves@126.com@126.com

    主營産品:球閥,閘閥,蝶閥,截止閥,止回閥,調節閥

    本周熱門:不鏽鋼阻火器全天候呼吸閥氣動球閥氣動蝶閥氣動刀閘閥氣動調節閥電動球閥電動蝶閥電動刀閘閥電動調節閥不鏽鋼球閥不鏽鋼閘閥不鏽鋼截止閥不鏽鋼止回閥不鏽鋼電磁閥高壓電磁閥高壓球閥波紋管截止閥

    官方網址:www.fm058.com